POCETNA STRANA

Seminarski i Diplomski Rad
 
SEMINARSKI RAD IZ ELEKTRONIKE / ELEKTROTEHNIKE
 
OSTALI SEMINARSKI RADOVI IZ ELEKTRONIKE / ELEKTROTEHNIKE
Diode-seminarski rad
Primenjena elektronika-seminarski rad
Gledaj Filmove Online  

 

 

 

 

 

 

 

 Prenaponska zaštita telekomunikacionih sistema

  1. MO odvodnici prenapona (ZnO ODVODNICI PRENAPONA)

Tehnološki napredak proizvodnje metal oksidnih nelinearnih materijala, u poslednjih dvadesetak godina, omogućio je masovniju proizvodnju i primjenu ovih materijala u izradi odvodnika prenapona bez klasičnih iskrišta. Prva primjena metal oksidnog odvodnika prenapona, sa korišćenjem cink-oksida (ZnO) kao metal oksidnog materijala, je zabilježena u Japanu za zaštitu visokonaponskih aparata u postrojenjima. Od 1975. godine prvi put je primjenjena u Evropi, kada je Švedska počela da ih koristi u zaštiti elektroenergetskog sistema Švedske. Danas gotovo svi poznati svjetski proizvođači odvodnika prenapona izrađuju cink-oksidne odvodnike prenapona umjesto klasičnih SiC, zbog jednostavnije  konstrukcije i povoljnijih zaštitnih karakteristika. Kod izgradnje novih postrojenja uglavnom se ugrađuju ZnO odvodnici, dok se  u starijm postrojenjima nalaze klasični odvodnici.

Osnovna prednost ZnO odvodnika prenapona u odnosu na SiC je što nemaju iskrište i imaju povoljniji oblik strujno-naponske karakteristike otpornika.

1.1.  KONSTRUKCIJA ZnO ODVODNIKA PRENAPONA

Cink-oksidni odvodnici prenapona sadrže  samo diskove od nelinearnog otpornog materijala koji su zatvoreni u odgovarajuće cilindrično kućište. U početku proizvodnje ZnO odvodnika pojavljivali su se modeli sa iskrištem, dok se danas prave isključivo bez iskrišta. Keramički otpornici-varistori  sastoje se uglavnom od  čestica ZnO koje su dobijene sinterovanjem sa dodatkom aditiva u tečnom stanju, kao što su bizmut-oksid Bi2O3, magnezijum-oksid, Sb2O3 i drugih, ukupno 9 aditiva, u  vazduhu na temperaturi od oko 1200°C. Nelinearne karakteristike materijala isključivo zavise od vrste i odnosa aditiva u materijalu. Mikroskopska stuktura materijala nelinearnog otpornika je prikazana na slici 4.1.

 

Mikroskopska stuktura materijala nelinearnog otpornika

 

Oznake na slici 4.1. su:

A – ZnO čestice,

B – međugranularni sloj.

 

Posmatranjem mikroskopske strukture materijala može se uočiti prisustvo mikroskopskih čestica između kojih je međugranularni prostor sastavljen od primjesa.  Čestice ZnO su provodne i međusobno spojene serijski i paralelno. Prosječna veličina  čestica ZnO je 10-20µm. Od velike je važnosti homogenost unutar nelinearnog otpornika. Međugranularni prostor varira oko 0,1µm i predstavlja barijeru koja biva probijena pri djelovanju povišenog napona. Na aktivnom jezgru  koje je sastavljeno od serijski spojenih otporničkih blokova i  međusobno učvršćenih specijalno ojačanim omotačem (najčešće od staklenih niti) postavlja se

na vanjsko izolaciono kućište. U tom postupku došlo je do najvećeg napretka, tako da se sada kompaund izolaciske mase topi i direktno  ubrizgava u kalup na predhodno postavljenom jezgru od otporničkih blokova. Bitno je da se kompaund lijepi i prijanja na stijenke jezgra, bez

vazdušnih šupljina kako između kućišta i metal-oksidnih blokova, tako i u samom kućištu (tzv.”void free design”). Nova metoda proizvodnje kućišta  ZnO odvodnika prenapona je kao na slici 4.2.

 

Kuciste ZnO odvodnika

Slika 4.2. Kuciste ZnO odvodnika

 

       Najveći dio unutrašnjih šupljina u odnosu na ukupnu zapreminu odvodnika nije veća od 1%. Prijanjajuća veza između kućišta i metal-oksidnih blokova mora biti dovoljno jaka kako bi se spriječilo pucanje i odvajanje kućišta od blokova, a za vrijeme temperaturnih ciklusa koji

često prate rad odvodnika u pogonu. Radi postizanja dovoljne dužine strujne staze i za najteže

uslove rada (industrijsko ili atmosfersko zaprljanje) sastavni dio kućišta  čine izolacioni šeširići različitih veličina i oblika (zavisno o dizajnu). Do osnovnih osobina ZnO otpornika može se doći na osnovu:

       1. Mikroskopski električno polje je veliko u međuprostoru između  čestica ZnO i u blizini

njihovih granica, a  malo je unutar ZnO  čestica. Makroskopski je električno polje jednako raspodjeljeno unutar materijala.

       2. Struja koja teče kroz otpornik prolazi kroz najmanji  broj spojeva (najmanji otpor). Uz homogeni sastav mikrostrukture i raspodjela struje će biti jednaka.

       3. Mikroskopski će do Džulovog zagrijavanja doći uglavnom na spojevima, ali makroskopski će apsorbcija energije biti homogena, ako je mikrostruktura i gustina struje homogena.

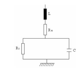
       Zamjenska električna šema ZnO odvodnika je kao na slici 4.3. Poprečni presjek otpornika se određuje na osnovu sljedećih parametara:

       • Očekivane amplitude struje udarnog pražnjenja,

       • Maksimalno dozvoljene temperature odvodnika,

       • Sposobnosti odvođenja toplote sa odvodnika.

 

Zamijenska elektricna sema ZnO odvodnika

Slici 4.3 Zamijenska elektricna sema ZnO odvodnika

 

Kod ZnO odvodnika postoji struja “curenja”, a to je struja koja protiče kroz odvodnik usljed postojanja radnog napona i ona je veoma mala, reda (250 ÷ 500) µA. 

Najvažnija osobina otpornika osim nelinearnosti je i visoka mogućnost apsorbcije energije ivelika termička provodnost.

 

 

1.2. OSOBINE ZnO ODVODNIKA PRENAPONA

 

Cink-oksidni odvodnici prenapona imaju izrazito nelinearnu naponsko-strujnu karakeristiku, tako da uvijek napon ograničavaju na istu vrijednost propuštajući pri tome različite struje, do deklarisane vrijednosti, a pri trajnom radnom naponu propuštaju veoma malu struju. Koeficijent nelinearnosti je zavisan o struji i nije konstantan i kreće se u opsegu α(30÷50).(Uz  α =1 zavisnost struje i napona je linearna). Zgodan način prezentacije strujno-naponske karakteristike otpornika u eksponencijalnom obliku je preko referentnih napona i struja, kao u izrazu:

 

    =

 

gdje su:

Iref, Uref – referentni napon i struja,

α - koeficijent nelinearnosti.

 

Koeficijent nelinearnosti se mijenja sa režimom i može se izraziti u određenoj radnoj tački na osnovu sljedećeg izraza:

 

   α(U) =

 

Ovaj koeficijent je ključna veličina od koje zavisi efikasnost prenaponske zaštite ZnO odvodnicima prenapona. Za određivanje kompletne karakteristike nelinearnog otpornika u širokom opsegu struja koristi se logaritamska srednja vrijednost koeficijenta nelinearnosti koja je data sljedećim izrazom:

     =  

 

gdje su:

I0 – dozvoljena stalna struja kroz odvodnik,

Imax – maksimalna udarna struja pražnjenja koja se očekuje kroz odvodnik,

U0 – napon na odvodniku pri struji I0,

Umax – napon na odvodniku pri Imax.

Na slici 4.4. je prikazana strujno- naponska karakteristika ZnO odvodnika prenapona za širok

dijapazon struja.

Strujno-naonska karakteristika ZnO odvodnika

Slika 4.4. Strujno-naonska karakteristika ZnO odvodnika

 

Na slici 4.4. prikazana je i kriva klasičnog silicijum-karbidnog odvodnika prenapona sa serijskim iskrištem. Sa dijagrama napona i struje se vidi da se kod klasičnih odvodnika prenapona brže mijenja napon nego na cink-oksidnom odvodniku. Na karakteristici se uočavaju tri područja rada cink-oksidnog odvodnika prenapona. U samom početku je područje 1. (“prije proboja”), u kojem je struja proticanja zanemarljivo mala. Gustina struje u ovom području je približno 0.3 u  A/mm.

       Relativna dielektrična konstanta je vrlo visoka i iznosi oko 700. Struja propuštanja u prvom    području je pretežno kapacitivna. Kriva koja odgovara radnoj komponenti struje u ovom području izmjerena je jednosmjernim naponom, a kapacitivna naizmjeničnim 50(60) Hz. Pri jednosmjernom naponu koji odgovara trajnom naponu protiče struja od oko 0,1 mA, a pripadna kapacitivna komponenta pri 50 Hz za ovu vrijednost napona iznosi oko 0,5  mA. Zato što je u ovom području karakteristika jako osjetljiva na temperaturu, potrebno je odabrati odvodnik tako da radna temperatura ne bude veća od deklarisane.

Na drugom području karakteristike jako je izražena nelinearnost, a temperaturna zavisnost je zanemarljiva. Ova zona je karakteristična po naponu reagovanja. Struja se mijenja po zakonitosti:

 

   I= c

gdje je:

α ≈ (30 ÷ 50) – koeficijent nelinearnosti.

Drugo područje od struje preko 1A izmjereno je udarnom strujom 8/20 µs/µs. Na trećem području karakteristika više nije tako nelinearna  i ona odgovara omskoj  provodnosti ZnO. Za mjerenje karakteristike primjenjuju se udari 8/20 µs/µs ili 4/10 µs/µs. Samo ograničenje prenapona na određeni zaštitni nivo prikazano je na slici 4.5.

Skica prenapona superponiranog na radni napon

 

Slika 4.5. Skica prenapona superponiranog na radni napon: a) cink-oksidni odvodnik, b) silicijum-karbidni odvodnik.

 

Razlike između SiC i ZnO odvodnika prenapona su sljedeće:

• SiC reaguje kada naiđe prenapon viši od napona reagovanja, nakon čega napon pada na preostali napon. U trenutku reagovanja odvodnika dolazi do naglog smanjenja napona što može da izazove prelazni režim,

• ZnO odvodnik nema napona reagovanja tako da poslije porasta napona preko koljena dolazi do provođenja struje,

• ZnO odvodnik nema propratnu struju nakon prestanka djelovanja prenapona jer se sa  nestankom prenapona odvodnik automatski vraća u stanje velike otpornosti kad kroz odvodnik protiču male stuje.

      Aktivni dio metal-oksidnih odvodnika sastoji se od cilindričnih otpornika u obliku pločica. Broj pločica zavisi od nazivnog napona odvodnika. One se nalaze u hermetički zatvorenom porcelanskom kućištu, koje može biti i od silikona (novije izvedbe). Prostor između pločica i silikonskog kućišta može biti ispunjen gasom ili se porcelansko kućište nanosi direktno na pločice. Rasipni kapacitet pločica prema uzemljenim dijelovima uzrokuje nelinearnu raspodjelu potencijala duž odvodnika kod pogonskog napona, slično kao kod izolatorskog lanca.   Nelinearnost se povećava sa dužinom odvodnika. Zato se za odvodnike koji su predviđeni za mrežu viših nazivnih  napona (iznad 220 kV) ugrađuju prstenovi za izjednačavanje potencijala, koji kompenzuju djelovanje rasipnih kapaciteta.

U poslednjih desetak godina u novim se postrojenjima ugrađuju isključivo ZnO odvodnici. Razlog tome je veća efikasnost u pogonu, niži preostali napon (pogotovo kod napona strmog čela), i dobro podnošenje zagađenja.

 Zaštitna karakteristika ZnO odvodnika prenapona je definisana krivom preostalog napona u opsegu udarnih struja koje se pojavljuju kroz odvodnik pri djelovanju prenapona. Na slici 4.6. je prikazana zaštitna karakteristika ZnO odvodnika prenapona.

Zaštitna karakteristika ZnO odvodnika

Slici 4.6. Zaštitna karakteristika ZnO odvodnika

 

Proizvođači daju zaštitnu karakteristiku tabelarno za standardne strujne talase 8/20 µs/µs za atmosferske prenapone i za strujni talas čela dužeg od 30 µs za sklopne prenapone. Tipičan oblik podataka koje daju proizvođači dati su u tabeli 4.1.

 

Izvod iz tablice proizvodjaca ZnO odvodnika prenapona

 

 

4.1. Izvod iz tablice proizvodjaca ZnO odvodnika prenapona

1.3.OSNOVNE KARAKTERISTIKE ZnO ODVODNIKA PRENAPONA

 

Kod ZnO  odvodnika prenapona se prema JUS IEC 99-4/1995 definišu sljedeće karakteristike:

a) Naznačeni napon odvodnika Ur  ( rated voltage of an arrester):

Najviša dozvoljena efektivna vrijednost napona industrijske frekvencije između priključaka odvodnika, pri kojoj je on predviđen da ispravno radi u uslovima prenapona, kako je definisano u ispitivanju funkcionisanja u radnim uslovima. Naznačeni napon se koristi kao referentni parametar za specifikaciju radnih karakteristika. 

b) Trajni radni napon odvodnika Uc (continuous operating voltage of an arrester): Trajni radni napon je specificirana dozvoljena efektivna vrijednost napona industrijske frekvencije, koja se može trajno dovesti na priključke odvodnika.

c) Naznačena frekvencija odvodnika (rated frequencu of an arrester): Frekvencija mreže za koju je odvodnik pravljen.

d) Strma udarna struja (steep current impulse): Udarna struja sa konvencionalnim trajanjem čela od 1 µs, sa takvim granicama podešavanja opreme da se izmjerene vrijednosti kreću od 0,9 µs do 1,1 µs. Konvencionalno vrijeme do polovine vrijednosti na začelju ne treba da je duže od 20µs.

e) Atmosferska udarna struja (lighting current impulse): Udarna struja 8/20  µs/µs sa granicama podešavanja takvim da se izmjerene vrijednosti zakonvencionalno trajane čela kreću od 7 µs do 9 µs, a vrijeme do polovine na začelju od 18 µs do 22 µs.

f) Nazivna struja odvođenja odvodnika In (nominal discharge current of an arrester): Tjemena vrijednost atmosferske udarne struje koja služi za razvrstavanje odvodnika

g) Dugotrajna udarna struja (long duration current impulse): Pravougaona udarna struja sa brzim usponom do maksimalne vrijednosti, koja zatim ostaje uglavnom konstantna u toku utvrđenog perioda, a zatim brzo pada na nulu. Pravougaonu udarnu struju definišu sljedeći parametri: polaritet, tjemena vrijednost, konvencionalno trajanje tjemena i ukupno konvencionalno trajanje.

h) Udarne struje odvodnika velike amplitude (high current impulse of an arrester): Tjemena vrijednost struje odvođenja oblika  talasa 4/10  µs/µs koja se koristi za provjeru stabilnosti odvodnika pri direktnim udarima groma.

i) Sklopna udarna struja odvodnika (switching current impulse of an arrester): Tjemena vrijednost struje odvođenja sa konvencionalnim trajanjem čela dužine od 30  µs i kraćim od 100 µs i konvencionalnim vremenom do polovine vrijednosti na žačelju, približno dvostruko dužim od konvencionalnog trajanja čela.

j) Trajna struja odvodnika (continuos current of an arrester): To je struja koja teče kroz odvodnik, kada je on pod trajnim radnim naponom. Trajna struja sastoji se od aktivne i kapacitivne komponente, a može da se mijenja sa temperaturom i djelovanjem rasipnog kapaciteta i spoljašnje prljavštine. Trajna struja ispitivanog uzorka ne mora biti ista kao trajna struja kompletnog odvodnika.

k) Preostali napon odvodnika Ures (residual voltage of an arrester): Tjemena vrijednost napona koji se javlja na priključcima odvodnika u toku proticanja struje odvođenja.

l) Zaštitna karakteristika odvodnika (protective characteristics of an arrester):

Kombinacija sljedećih karakteristika:

- preostalog napona za strmu udarnu struju,

- karakteristika preostalog napona u funkciji struje odvođenja za atmosferske udarne struje,  

- preostalog napona za sklopne udarne struje.

Atmosferski zaštitni udarni nivo odvodnika je najviši preostali napon za nazivnu struju odvođenja. Sklopni udarni zaštitni nivo odvodnika je najviši preostali napon pri utvrđenim sklopnim udarnim strujama.

Standardne vrijednosti nazivnih struja odvođenja za ZnO odvodnike prenapona su date u

tabeli 4.1.

 

2. TERMIČKA STABILNOST ZnO ODVODNIKA PRENAPONA

 

Kroz nelinearne otpornike ZnO odvodnika prenapona pri nominalnom radnom režimu stalno protiče mala struja koja izaziva gubitke na odvodniku koji se pretvaraju u toplotu. Zbog

toga se odvodnik zagrijva pa je potrebno da se sa odvodnika toplota odvodi u okolni prostor. Toplota koja se razvija u unutrašnjosti odvodnika se predaje izolacionom kućištu, a sa kućišta toplota se odvodi u okolni prostor. Osnovni uslov toplotne stabilnosti odvodnika je uspostavljanje ravnoteže između generisane toplote i odvedene toplote u okolni prostor. Porast temperature usljed narušavanja toplotne stabilnosti odvodnika je temperaturni pobjeg.Na slici 4.7. je prikazano zagrijavanje i hlađenje ZnO odvodnika pri trajnom radnom naponu (Uc). Odvedena količina toplote sa odvodnika približno linearno raste sa temperaturom:

Q=KS(T-)

 

Gdje su:

Q- kolicina toplote koja se odvodi hladjenjem(J)

K- koeficient odvodjenja toplote(J/, °C)

S- povrsina hladjenja( )

T- temperatura odvodnika (°C)

- temperatura okoline (°C)

 

 

Termicka stabilnost blokova

  Slika 4.7. Termicka stabilnost blokova

      

Na dijagramu sa slike 4.7. tačka A predstavlja tačku stabilne toplotne ravnoteže, dok tačka B predstavlja kritičnu tačku. U tački A sa malim porastom temperature blokova raste količina odate toplote brže od količine toplote koja se generiše u bloku i odvodnik se hladi. U tački B sa porastom temperature brže se povećava količina toplote koja se oslobađa u blokovima od toplote koja se odvodi u okolinu, pa nastaje temperaturni pobjeg. Termički pobjeg je pojava koja traje određeno vrijeme. Pri izboru odvodnika prenapona najvažniji parametar je trajni radni napon. Uz odgovarajuće dimenzionisanje prilikom projektovanja moguće je podići kritičnu tačku toliko da ona ne može biti dostignuta niti pri najvećem prenaponu koji se može pojaviti.

 

3. IZBOR ZnO ODVODNIKA PRENAPONA

 

Izbor ZnO odvodnika prenapona se vrši u tri koraka:

1. Određivanje parametara sistema

2. Provjera nenormalnih uslova rada

3. Izbor naznačenog napona

 

3.1. ODREĐIVANJE PARAMETARA SISTEMA

 

Najvažniji parametar sistema je maksimalni radni napon Uc, koji je viši od (5÷10)% od  naznačenog napona sistema. Ovaj napon je efektivna linijska vrijednost napona. Drugi važan faktor je visina i trajanje privremenog prenapona Ut. Ovaj prenapon se najčešće određuje kao prenapon na neoštećenom faznom provodniku pri zemljospoju u mreži. Trajanje prenapona je od velike važnosti, što nije bio slučaj kod SiC odvodnika prenapona.

 

3.2. PROVJERA NENORMALNIH USLOVA RADA

 

Ponekad se u sistemu mogu pojaviti slučajevi u kojima se u uzemljenom sistemu na nekim mjestima mogu pojaviti viši naponi na neoštećenim faznim provodnicima od očekivanih, što  čini ovaj sistem neefikasno uzemljenim. Ako postoje uslovi za istovremeni nastanak i privremenih prenapona usljed zemljospoja i ispada opterećenja, treba uzeti u obzir i

ovakav slučaj.

 

3.3. IZBOR NAZNAČENOG NAPONA

      

Naznačeni napon se određuje na dva načina:

 

 Na osnovu trajnog radnog napona Uc, tj. preko obrasca     =

• Na osnovu privremenog prenapona pri zemljospoju     = , gdje je  Kf faktor zemljospoja, koji se usvaja za direktno uzemljene sisteme da je maksimalno 1,4; a za izolovane sisteme 1,73.

 

Naznačeni napon na bazi trajnog radnog napona određuje se iz izraza        =

gdje je:

K0 – faktor izrade koji daje proizvođač. Za odvodnike koje proizvodi ASEA K0 = 0,8.

Naznačeni napon na bazi privremenog prenapona se određuje iz izraza:

  =

gdje je: Kt – koeficijent koji uvažava sposobnost odvodnika da podnosi privremene prenapone. Finalni izbor odvodnika se vrši na bazi najvišeg naznačenog napona odvodnika između UR0 i URt. Značajno u izboru ZnO odvodnika prenapona je poznavanje mjesta ugradnje sa gledišta zagađenosti atmosfere.

 

3.4. ISPITIVANJE ZnO ODVODNIKA PRENAPONA

 

 Propisi predviđaju određena ispitivanja koje odvodnik prenapona mora da prođe prije nego što uđe u upotrebu. Postoje sljedeća tri tipa ispitivanja odvodnika prenapona:

a) Tipska ispitivanja

b) Komadna ispitivanja

c) Prijemna ispitivanja

Za ZnO odvodnike prenapona se zahtijevaju sljedeća tipska ispitivanja:

• Određivanje preostalog napona odvodnika

• Ispitivanje podnosivim udarnim strujama 

• Ispitivanje u radnim uslovima

• Ispitivanje toplotne stabilnosti

• Ispitivanje toplotnog odziva odvodnika

• Ispitivanje u uslovima vještačke zagađenosti

• Ispitivanje uređaja za ograničavanje pritiska

• Ispitivanje uređaja za odvajanje odvodnika

Minimalna komadna ispitivanja koja se traže od ZnO odvodnika prenapona su ispitivanje preostalog napona pri maloj struji. Redovno ispitivanje, radi provjere osnovnih zahtjeva, teško je izvodljivo na terenu. U obzir dolazi samo provjera struje odvođenja pri naponu 50 Hz nominalne vrijednosti mreže. Veći naponi bi izazvali trajna oštećenja odvodnika.

4. ZAŠTITNA ZONA ZnO ODVODNIKA PRENAPONA 

Odvodnik prenapon ograničava prenapone na iznos  preostalog napona odvodnika samo na mjestu ugradnje odvodnika, dok sa porastom udaljenosti od odvodnika raste i iznos napona. Zašitna zona odvodnika proteže se na dio voda ispred i iza odvodnika prenapona. Udaljenost  L od odvodnika na kojoj prenapon na štićenom objektu dostiže vrijednost izolacionog nivoa (za atmosferske ili sklopne prenapone) naziva se zaštitnom zonom. Na slici 4.9. je predstavljena zaštitna zona odvodnika prenapona.

Zastitna zona odvodnika prenapona

  Slika 4.9.Zastitna zona odvodnika prenapona

 

Na slici 4.9. predpostavljeno je da je u tački A postavljen odvodnik prenapona čiji je zaštitni nivo Uz, pa će se tako prolazni talas prostirati dalje u desno. Za onaj dio upadnog naponskog talasa koji je iznad zaštitnog nivoa Uz, odvodnik predstavlja kratak spoj, pa se tako taj dio naponskog talasa reflektuje sa suprotnim predznakom, ili se može zamisliti da je na tom mjestu nastao izvor talasa, koji se prostire na obje strane i s desne strane briše sve što je iznad Uz. Lijevo od odvodnika uspostavlja se napon sa dvostrukom strminom 2s. Važno je znati daodvodnik treba biti što bliže uređaju kojeg štiti. To znači da priključni vodovi od stezaljki odvodnika prenapona do voda pod naponom i do uzemljivača moraju biti što kraći, a otpor širenja uzemljivača što je moguće manji. Zaštitna zona ili najveća udaljenost Lmax odvodnika od štićenog uređaja se određuje iz izraza:

 

=   

gdje je:

v – brzina kretanja udarnog talasa po vodu (300 m/µs),

Ui – nazivni podnosivi atmosferski udarni napon za izolacioni nivo opreme koja se štiti (kV),

Uz – zaštitni nivo odvodnika (kV),

Udod – dodatni induktivni pad napona na priključnim vodovima od stezaljki odvodnika do voda pod naponom i do uzemljivača (kV),

s – strmina čela udarnog talasa (kV/µs).

4.1. Zaštita visokonaponskih postrojenja ZnO odvodnicima prenapona

Prenaponska zaštita visokonaponskih  postrojenja ostvaruje se najčešće tako da se u neposrednoj blizini energetskog transformatora ugradi odvodnok prenapona,  čiji je zadatak da, pored energetskog transformatora, štiti i ostalu opremu u postrojenju. U slučajevima kada je prekidač u vodnom polju postrojenja otvoren ili se nalazi u procesu prekidanja, oprema u vodnim poljima nije zaštićena. Oprema vodnih polja visokonaponskih postrojenja može se kvalitetno zaštiti odvodnicima prenapona ugrađenim u vodnim poljima. Odvodnici prenapona koji su se koristili za ovu svrhu bili su najčešće sa porcelanskim kućištem, a imali su istu klasu odnosno energetsku sposobnost kao i odvodnici  koji su služili za  zaštitu energetskih transformatora. Ovi odvodnici imali su iste zahtjeve za načinom ugradnje i potrebnim prostorom u postrojenju kao i odvodnici uz transformatore, što je bitno poskupljivalo ovakvu vrstu zaštite. Pored toga događale su se eksplozije odvodnika, pri čemu je redovno dolazilo i do oštećenja opreme u visokonaponskom postrojenju. Pojavom ZnO odvodnika sa kućištem od silikonske gume otvorena je mogućnost sasvim drugačijem pristupu prenaponske zaštite visokonaponskih postrojenja.  Ovi odvodnici su znatno lakši od odgovarajućih odvodnika sa porcelanskim kućištem, pa se mogu ugrađivati direktno na ulaznim portalima postrojenja. Pored toga, ne postoji mogućnost prodora vlage unutar odvodnika, što je bio jedan od glavnih nedostataka odvodnika sa porcelanskim kućištem. Ovi odvodnici imaju puno bolje proradne karakterisitke, manje su osjetljivi na vanjsko zagađenje i ne dolazi do njihovog rasprskavanja u slučaju eventualnog otkaza, te ne predstavljaju opasnost za ostalu opremu. 

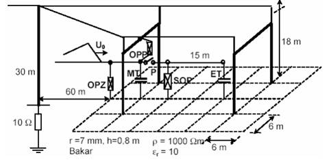
Analizirana su dva slučaja ugradnje odvodnika prenapona u vodnim poljima postrojenja kao na slici 4.10.

Odvodnici prenapona u vodnom polju

Slika 4.10. Odvodnici prenapona u vodnom polju postrojenja 110 kV ugradjeni na nivou zemlje OPZ i na ulaznim portalima OPP

 

Oznake na slici 4.10. su:

ET – energetski transformator

MT – mjerni transformator

P – prekidač

 

Oblik prenapona na mjernom transformatoru

Slika 4.11. Oblik prenapona na mjernom transformatoru pri primjeni zastitnog iskrista ZI i odvodnika prenapona u vodnom polju postrojenja OPZ

 

Za slučaj ugradnje odvodnika na nivou zemlje (OPZ) proračunati napon na mjernom transformatoru dat je na slici 4.11. Iz oblika prenapona na slici 4.11. primjećuje se značajno povećanje prenaponske zaštite postrojenja primjenom metal oksidnih odvodnika prenapona. Odvodnik prenapona reaguje pri znatno nižem naponu od napona reagovanja zaštitnog iskrišta, ne pojavljuju se opasni strmi naponski talasi, pa nema preskoka na ulazu u postrojenje. Za slučaj ugradnje odvodnika na ulaznim portalima OPP oblik prenapona na mjernom transformatoru je dat na slici 4.12.

Oblik prenapona na mjernom transformatoru pri primjeni odvodnika prenapona u vodnim poljima postrojenja

Slika 4.12. Oblik prenapona na mjernom transformatoru pri primjeni odvodnika prenapona u vodnim poljima postrojenja

 

Na slici 4.12. je dat i oblik prenapona na mjernom transformatoru za slučaj ugradnje odvodnika prenapona na nivou zemlje OPZ. Na osnovu rezultata sa slike 4.12. može se zaključiti da nema bitnih razlika u kvalitetu prenaponske zaštite u slučajevima ugradnje odvodnika prenapona na nivou zemlje ili ulaznim portalima. Ugradnja odvodnika prenapona na ulaznim portalima predstavlja vrlo prihvatljivo rješenje zaštite opreme u vodnim poljima postrojenja. Nije potrebno posebno mjesto za odvodnike unutar postrojenja, čime se štedi na potrebnom prostoru. Isto tako, nema potrebe za posebnom konstrukcijom za ugradnju odvodnika.

4.2 Zaštita distributivnih mreža ZnO odvodnicima prenapona

Jedna od definicije koordinacije izolacije kaže da je to postupak dovođenja u odgovarajući odnos dielektrične čvrstoće izolcije električne opreme sa očekivanim prenaponom i karakteristikama prenaponske zaštite. Obično se koordinacija izolacije dijeli u onu za mreže i postrojenja. U koordinaciji izolacije distributivnih mreža značajnu ulogu imaju metal oksidni odvodnici prenapona. Za distributivne mreže obično se daju jednostavene formule i postupci, koji se koriste u postupku koordinacije izolacije uz pomoć odvodnika prenapona. 

4.3 Mjesto postavljanja odvodnika kod kabla u spoju sa nadzemnim vodom

U mnogim slučajevima, neophodno je zaštititi odvodnicima oba kraja jedne dionice kabla. Za vrlo kratke dionice, biće dovoljno zaštititi kabl samo na jednom kraju, kao na slici 4.13.

Prikljucak nadzemnog voda na transformatorsku stanicu preko kratke dionice kabla

Slika 4.13. Prikljucak nadzemnog voda na transformatorsku stanicu preko kratke dionice kabla

 

Kabl spojen između nadzemnog voda i transformatorske stanice, izložen je riziku od atmosferskih prenapona koji u ovom slučaju dolaze nadzemnim vodom. Zbog toga, odvodnici

prenapona moraju biti postavljeni na mjestu prelaza nadzemnog voda u kabl. Ugradnja drugog

odvodnika (u transformatarskoj stanici) nije potrebna u koliko dužina kabla Lk ne prelazi vrijednost iz tabele 4.3. U suprotnom slučaju, oprema unutar transformatorske stanice spojena

na ovu kratku dionicu kabla, biće izložena riziku refleksije talasa na kraju. Ova pojava, zahtjeva ugradnju odvodnika na kraju dionice kabla, neophodnim. Za optimalnu zaštitu kablovskih završetaka i za  smanjenje fenomena putujućih talasa, odvodnici moraju biti ugrađeni što je bliže moguće kablovskim završetcima. Svi spojevi odvodnika na kabl moraju biti što je moguće kraći (uključujući i spoj sa uzemljenjem), radi održavanja niskih napona u cjelokupnoj konfiguraciji mreže. Električna zaštita kabla  (ekran) u tom slučaju mora biti spojena na uzemljenje odvodnika

Maksimalna duzina kabla Lk izmedju transformatorske stanice i nadzemnog voda sticena samo sa jedne strane

Tabela 4.3. Maksimalna duzina kabla Lk izmedju transformatorske stanice i nadzemnog voda sticena samo sa jedne strane

 

Kombinacija nadzemni vod, kabl, nadzemni vod

Slika 4.14. Kombinacija nadzemni vod, kabl, nadzemni vod

 

Za slučaj kombinacije kao na slici 4.14., ako je dužina kabla veća od 50 m obavezno je postavljanje odvodnika sa oba kraja kabla

4.4 Mjesto postavljanja odvodnika kod tansformatora na kraju priključenog kabla

U koliko dužina kabla Lk prelazi vrijednost datu u tabeli 4.3. potreban je i drugi odvodnik. Postavlja se pitanje u kojoj mjeri će drugi odvodnik A2 zaštititi nizvodno postavljen transformator. U primjeru na slici 4.15. transformator je spojen na nadzemni vod, preko kabla dužine Lk ≥ 100 m.

 

Jedan odvodnik je potreban na strani prelaza nadzemnog voda u kabl, a drugi na kraju kabla. Odvodnik A1 pruža zaštitu od strane voda, a odvodnik A2 ograničava prenapone nastale refleksijom putujućeg talasa na kraju kabla.

 

Drugi odvodnik postavljen izmedju kraja kabla i transformatora

Slika 4.15. Drugi odvodnik postavljen izmedju kraja kabla i transformatora

 

4.5 Zaštita transformatora ZnO odvodnicima prenapona

Na slici 4.16. su prikazana tri načina priključenja odvodnika namjenjenih za zaštitu transformatora. Najbolji je treći način iako bi se i on mogao poboljšati smanjenjem udaljenosti a.( a udaljenost kao na slici 4.15.)

Vrednovanje i nacin prikljucivanja odvodnika i sticenog objekta na mrezu

Slika 4.15. Vrednovanje i nacin prikljucivanja odvodnika i sticenog objekta na mrezu

 

Atmosferski prenaponi koji mogu da ugroze izolaciju distributivnih transformatora dijele se na:

• Prenapone nastale direktnim udarom u vod srednjeg napona ili u objekte u njegovoj neposrednoj blizini,

• Prenapone izazvane direktnim ili indirektnim atmosferskim pražnjenjem u vod srednjeg napona, koji se prenose kroz distributivni transformator na stranu voda niskog napona,

• Indukovane prenapone izazvane na vodu niskog napona usljed pražnjenja u zemlju u blizini voda

• Prenapone usljed direktnih udara u vod niskog napona ili u njegovoj blizini. Zaštita distributivnih transformatorskih stanica od prenapona atmosferskog porijekla je predmet proučavanja mnogih elektrodistributivnih organizacija širom svijeta. Aktuelnost ove problematike je danas naročito izražena s obzirom na osjetljivost sve prisutnije elektronske opreme na atmosferske prenapone.  U Australiji je od 1960. godine započeto istraživanje ugroženosti distributivnih transformatora od prenapona. Rezultati teoretskih analiza zajedno sa eksperimentalnim istraživanjima u laboratoriji su upoređeni sa rezultatima dobijenim na osnovu pogonskih događaja vezanih za distributivne transformatore i odvodnike prenapona. U

Australiji je zaštita distributivnih transformatora od atmosferskih prenapona bila bazirana na sljedećem:

• Odvodnik prenapona je postavljen samo na visokonaponskoj strani distributivnog transformatora,

• Rastojanje između mjesta priključivanja odvodnika prenapona i visokonaponskih priključaka distributivnog transformatora je iznosio 3 do 5 m.

Zaključci u vezi najvažnijih uzroka kvarova distributivnih transformatora usljed atmosferskih prenapona ukazivali su na nedostatke pomenutih mjera zaštite. Odsustvo prenaponske zaštite na niženaponskoj strani distributivih transformatora, kao i relativno velika udaljenost između mjesta priključka odvodnika prenapona i priključka distributivnih transformatora doprinijeli su značajnom procentu kvarova distributivnih transformatora usljed prenapona atmosferskog porijekla. Iz navedenih zaključaka proizašle su preporuke o zaštiti distributivnih transformatora od atmosferskih prenapona koje sadržavaju sljedeće tri mjere:

• Ugradnja odvodnika prenapona na višenaponskoj i niženaponskoj strani distributivnog transformatora,

• Montaža odvodnika prenapona što bliže priključcima distributivnog transformatora (unutar rastojanja od 0,6 m)

• Otpornost uzemljenja treba da ima vrijednost od 10 Ω ili niže.

Pod preporučenom zaštitom se podrazumjeva postojanje odvodnika prenapona na obje strane distributivnog transformatora, unutar 0,6 m od njegovih priključaka. Drugi tipovi zaštite predstavljaju uglavom rješenja samo sa odvodnikom prenapona  na višenaponskoj strani na rastojanju od 3 m u odnosu na priključke transformatora. Osnovna dva uzroka redukcije broja kvarova izolacije distributivnih transformatora su:

a)  ugradnja odvodnika na niženaponskoj strani,

b)  nova lokacija odvodnika prenapona na višenaponskoj strani.

Ugroženost izolacije distributivnih transformatora od prenapona vrlo strmog  čela, koji su

simulirani u laboratorijama inostranih distributivnih organizacija, ukazuju na potrebu što je moguće bliže montaže odvodnika prenapona u odnosu na priključke distributivnih transformatora. Primjena odvodnika prenapona na niženaponskoj strani distributivnih transformatora predstavlja glavni efekat u smanjenju broja kvarova izolacije distributivnih transformatora usljed atmosferskih pražnjenja. Na slici 4.17. je prikazana ekvivalentna šema za procjenu broja proboja izolacije transformatora. Ova šema obuhvata šest raspona ispred analiziranog transformatora. Najvažniji parametar ekvivalentne šeme su dužina veze D1 između priključka odvodnika prenapona 2 i provodnog izolatora transformatora 1, kao i dužina veze D2 između priključka za uzemljenje odvodnika prenapona i priključka za uzemljenje na kućištu transformatora. Ostali parametri ekvivalentne šeme su dužina raspona 100 m, visina stuba 10 m i otpornost uzemljenja stuba 10  Ω. Preskočni napon izolacije definisan je V-t krivom.

Talasni oblici napona prikazani su na slici 4.18.a (D1 = 1 m) i slici 4.18.b (D1 = 5 m).

 

Ekvivalentna sema za procijenu broja probaja izolacije stubnih transformatora srednjeg napona

Slika 4.17. Ekvivalentna sema za procijenu broja probaja izolacije stubnih transformatora srednjeg napona

 

 

Slika 4.18.

 

5. MONTAŽA ZnO ODVODNIKA PRENAPONA 

 

Svi tipovi metal oksidnih odvodnika prenapona su predviđeni za spoljašnju montažu. Mogu se slobodno montirati u područjima sa snijegom, lokvama ili vodom. Dozvoljena je horizontalna i vertikalna montaža. U slučajevima kada proizvođači  konstrukciono ugrađuju ventile za oslobađanje od pritiska, prilikom montaže  okrenuti ventile tako da se u slučaju unutrašnjeg kvara minimalno ošteti okolna  oprema. Podizanje odvodnika 110 kV i 35 kV vršiti ili pomoću metalne kape sa priključkom ili hvatanjem užetom oko porcelana ispod donjeg priključka. Odvodnike 20 kV i 10 kV pažljivo ručno podizati. Prilikom spajanja cinkoksidnih odvodnika, voditi računa o štićenoj zoni i da uzemljenje i postolje odvodnika prenapona moraju biti  čvrsto uzemljeni na uzemljenje impedanse manje od 5  Ω. Fazni priključci se montiraju tako da ne prouzrokuju stalno opterećenje koje bi izazvalo veći bazni moment od konstrukciono dozvoljenog. U slučajevima kada se, kao dodatna oprema ugrađuje brojač prorade u vodu za uzemljenje odvodnika, moraju se odvodnici prenapona postaviti na izolacione stubiće.

 Prilikom montaže, treba voditi računa da se ne ošteti izolacija izolacionih stubića i da se pravilno provodnik za uzemljenje odvoji od metalne konstrukcije portala. 

 

Primjeri primjene  odvodnika prenapona

 

Vrsta opreme koja se štiti odvodnikom

- Transformatori

- Zvjezdišta transformatora

- Kabeli

- Ekrani kabela

- Dalekovodi

- Generatori i motori

- Kondenzatorske baterije

- Prigušnice

- GIS

- HVDC

 

6. PRIMJERI PRIMJENE VARISTORA

 

Slika 1. Zastita transformatora                        Slika 2. Zastita prekidaca

Zastita transformatora

 

 

 

Slika 3. Portal dalekovoda                                          Slika 4. TLA primjena odvodnika

Portal dalekovoda 

Slika 5. Prijelaz zracni vod –kabel                                    Slika 6.  Zastita GIS-a

Prijelaz zracni vod –kabel 

Besplatni Seminarski Radovi