POCETNA STRANA

Seminarski i Diplomski Rad
 
SEMINARSKI RAD IZ ELEKTRONIKE
 
OSTALI SEMINARSKI RADOVI IZ ELEKTRONIKE / ELEKTROTEHNIKE
Diode-seminarski rad
Primenjena elektronika-seminarski rad
Gledaj Filmove Online  

 

 

 

 

 

 

 

Merenje parametara kvaliteta električne energije

Prisustvo velikog broja nelinearnih potrošača u distributivnim mrežama dovodi do niza negativnih efekata koji se odražavaju kako na samu mrežu tako i na ostale priključene potrošače. Zajednički interes potrošača i proizvođača električne energije je poslednjih godina doveo u žižu interesovanja probleme vezane za kvalitet električne energije, odnosno sadržaj harmonika u distributivnoj mreži i druge aspekte kvaliteta električne energije (neprekidnost napajanja, prisustvo kratkotrajnih fluktuacija i distorzija,...).
Danas je u svetu pred proizvođače i projektante uređaja energetske elektronike postavljen čitav niz standarda i preporuka iz oblasti kvaliteta električne energije. Tradicionalno se smatralo da je kvalitet električne energije u stvari pouzdanost,odnosno nepostojanje trajnih prekida u snabdevanju električnom energijom, dok moderno shvatanje kvaliteta električne energije podrazumeva i sigurno (neprekidno) napajanje i fizički kvalitet napona. Problemi neprekidnosti napajanja se uglavnom rešavaju u toku postupka planiranja i izgradnje mreže, dok je problem fizičkog kvaliteta napona usko vezan za eksploataciju. Dominantan uticaj na fizički kvalitet napona imaju nelinearni potrošači (uređaji energetske elektronike, zasićene električne mašine,elektrolučne peći, itd...),tranzijentne pojave usled komutacija u sistemu (rad prekidača),rad elektroenergetskog sistema na granicama mogućnosti, itd...
Narušavanje kvaliteta električne energije podrazumeva narušavanje osnovnih parametara napona u ustaljenim ili prelaznim režimima i deformaciju talasnih oblika. Osnovni parametri napona su njegova efektivna vrednost, frekvencija i simetrija faznih napona. U ovom radu će biti prikazani neki od primera merenja kvaliteta električne energije,isto tako prikazan je i opis priručnog mrežnog analizatora.

2. Mrežni analizatori

Pojam "mrežni analizator" se odnosi na specijalne merne instrumente koji su predviđeni za merenje različitih parametara električnih mreža.Generalno su to digitalni mikroprocesorski instrumenti, koji od odbiraka napona i struja izračunavaju efektivne vrednosti napona i struja, aktivnu i reaktivnu snagu, kao i višeharmonične komponente ovih veličina. Posebno će biti razmatran mrežni analizator prenosnog tipa, prikazan na sl.1.,koji ima sopstvenu memoriju i dozvoljava da se serijskom vezom podaci prenesu u personalni računar na dalju analizu.

Primer jednog mrežnog analizatora
Slika 1. Primer jednog mrežnog analizatora

S obzirom da se u savremenim industrijskim postrojenjima aktivna i reaktivna snaga menjaju u zavisnosti od tehnologije primenjene u procesu proizvodnje, neophodno je merenjem utvrditi stvarne promene aktivne i reaktivne snage i eventualno prisustvo viših harmonika napona i struje. Merenje treba da obuhvati sve karakteristične radne cikluse postrojenja, što znači da je neophodno da merni instrument ima mogućnost memorisanja merenih podataka u periodu od više dana ili nedelja. Instrument je prenosnog tipa i meri, prikazuje i memoriše glavne parametre jednofazne ili trofazne električne mreže. Pri tome, u trofaznom slučaju mreža ne mora biti uravnotežena, jer uređaj poseduje tri potpuno odvojena merna sistema. On vrši merenje i rriemorisanje svih relevantnih parametara mreže.
To su:

  • sva tri fazna napona,
  • sve tri fazne struje,
  • aktivna snaga i energija (fazno i trofazno),
  • reaktivna snaga i energija (fazno i trofazno),
  • prividna snaga,
  • frekvencija,
  • THD faktori struja i napona,
  • harmonijski sadržaj struja i napona (do 50. harmonika),
  • talasni oblici napona i struja,
  • kratkotrajni skokovi i propadanja napona, i
  • flikeri.

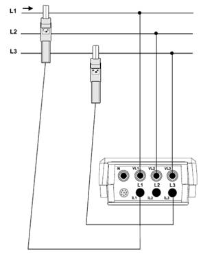
Kod trofaznog trožičnog sistema merenje može da se vrši i u Aronovoj vezi. To čini ovaj sistem univerzalnim za merenja na svim naponskim nivoima. Merenje može biti direktno ili indirektno (preko strujnih i naponskih mernih transformatora). Na NN moguća su direktna merenja struja (do 20 kA) i napona (do 866 V, međufazno), dok su na VN moguća samo indirektna merenja.

Uređaj ima displej za terensko očitavanje efektivnih vrednosti svih merenih veličina, kao i viših harmoničnih komponenti napona i struja (talasni oblik, THD sadržaj). Memorisani podaci se, iz instrumenta, RS232 vezom, kopiraju u PC računar, gde se uz softver za profesionalnu analizu podataka i pripremu izveštaja, dalje obraduju.
Uređaj je malih dimenzija i težine, nešto veći od standardnog "unimera". Idealan je za rad na terenu, a poseduje i višečasovnu autonomiju rada zahvaljujući ugrađenim baterijama.
Posebnu pogodnost predstavlja mogućnost reprogramiranja instrumenta. Programi se iz ketridža kopiraju u internu, programsku memoriju instrumenta. Programska memorija je odvojena od memorije za podatke i dovoljno je velika da primi četiri programa istovremeno.
Na raspolaganju su sledeći programi:

Program 1: Analizator mreže
Ovaj program služi za merenje, prikazivanje i memorisanje osnovnih parametara električne mreže (napona, struja, aktivne i reaktivne snage, energije i frekvencije; njihovih maksimalnih i minimalnih jednosekundnih vrednosti, kao i srednjih vrednosti za programirani period merenja).

Program 2: Analizator harmonika
Ovim programom su obuhvaćena merenja svih osnovnih parametara, kao i kod prethodnog programa, a dodato je merenje kvaliteta električne energije (THD faktor, viši harmonici i talasni oblici napona i struja).

Program 3: Analizator poremećaja
Ovim programom se memorišu poremećaji u naponu, kao što su: propadanja, skokovi, pikovi, šumovi i distorzije talasnog oblika. Primenjeni metod monitoringa zasniva se na analizi talasnog oblika napona u sve tri faze. Bilo kakvo odstupanje od zadate tolerancije trigeruje sistem za memorisanje talasnih oblika napona tokom poremećaja. Snimljeni podaci se mogu prebaciti u PC računar radi dalje analize.

Program 4: Analizator flikera
Ovaj program analizira sva tri fazna napona istovremeno, u potrazi za sporim fluktuacijama napona. Analiza se radi prema IEC 868 standardu, koji je relevantan za ovu oblast.
U tabeli 1. date su tehničke karakteristike mrežnog analizatora prenosnog tipa. Treba naglasiti da interna memorija dozvoljava memorisanje mrežnih parametara do 60 dana u programu Analizator mreže i do 15 dana merenja i memorisanja u programu Analizator harmonika.

Tehnicke karakteristike mrežnog analizatora prenosnog tipa
Tabela 1. Tehničke karakteristike mrežnog analizatora prenosnog tipa
španske firme CIRCUTOR AR 5


Šema povezivanja uredaja u trofaznoj vez

Slika 2. Šema povezivanja uređaja u trofaznoj vezi

Šema povezivanja uredaja u Aronovoj vezi

Slika 3. Šema povezivanja uređaja u Aronovoj vezi

3. Primeri merenja parametara kvaliteta električne energije

U nekoliko narednih primera prikazane su tipične mogućnosti primene nekih savremenih instrumenata za ispitivanje kvaliteta električne energije.

Primer 1.

Treperenje (fliker) zbog uticaja dizalice (krana), slika 4. Stanovnici domaćinstava smeštenih u blizini gradilišta žalili su se na neugodno treperenje svetla,te je lokalno elektropreduzeće izvršilo merenja kvaliteta električne energije,kako bi ovu pojavu otklonili.
Svrha merenja - Pronaći uzroke treperenja svetla i predložiti, na osnovu rezultata merenja, potrebne radnje za uklanjanje te neugodne pojave.

Treperenje (fliker) zbog uticaja dizalice

Slika 4. Treperenje (fliker) zbog uticaja dizalice

Merenja su trajala sedam dana,i za to vreme su praćene vrednosti osnovnih parametara kvaliteta električne energije, sa ciljem da se sazna koji od parametara prelaze dopuštene vrednosti.
Na slici 5., prikazan je tipičan dijagram desetominutnih RMS vrednosti u takvom slučaju.

Dijagram desetominutnih RMS vrednosti

Slika 5. Dijagram desetominutnih RMS vrednosti

Uočljivo je da su kolebanja napona unutar dopuštenih +/-10% tokom trajanja celog merenja, ali je stanje sa napajanjem vrlo nestabilno.

Analiza treperenja (flikera), nadalje, upozorava na to da je dugotrajno treperenje (Plt) prekoračilo ograničenje tokom svih radnih dana (slika 6.). Te velike vrednosti treperenja (> 4) uzrokuju jaka treperenja svetla u domaćinstvima,što za čoveka predstavlja neprijatnu pojavu..
Daljom analizom treperenja Pst tokom jednog dana uočava se da treperenje postoji samo tokom dana, kada je dizalica aktivna, te se jasno uočava vreme odmora rukovatelja dizalice (slika 6.).

Jasno se uocava vreme odmora rukovatelja dizalice

Slika 6. Jasno se uočava vreme odmora rukovatelja dizalice

Zaključak primera 1.

S obzirom sa je sa sigurnošću dokazano da dizalica dok je u pogonu izaziva snažno i neugodno treperenje svetla u susednim domaćinstvima, dizalica se mora priključiti direktno na obližnju transformatorsku stanicu (slika 7.).

Dizalica mora biti prikljucena direktno na transformatorsku stanicu

Slika 7. Dizalica mora biti priključena direktno na transformatorsku stanicu

Primer 2.

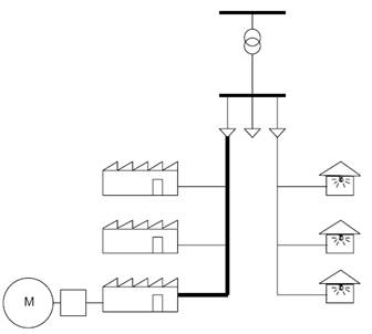
Poremećaji u distributivnoj mreži zbog uključenja toplotne pumpe (prikazano na slici 8.).

Mesto prikljucenja mernog uredjaja
Slika 8. Mesto priključenja mernog uredjaja

Svrha mjerenja - Pronaći uzrok poremećaja i predložiti metode za njivovo otklanjanje.
Analizom harmoničke slike (slika 9.) uočava se da harmonici prekoračuju granične vrednosti u sve tri faze - događaju se diskretne promene stanja napona (naponska udarna prelazna stanja). Kolebanja napona unutar su dopuštenih +/- 10%. Neke su vrednosti treperenja (flikera) prevelike.

Mnogi harmonici prekoracuju dopuštene vednosti

Slika 9. Mnogi harmonici prekoračuju dopuštene vednosti

Posebnom analizom samo 5. harmonika uočava se da tokom nekoliko sati 5. harmonik prelazi dopušteno ograničenje (prema normi EN 50160) od 6% (Slika 10.). Posmatranjem i praćenjem rada utvrđeno je da je upravo u to vreme bila uključena toplotna pumpa.

Nivo 5. harmonika tokom tri uzastopna dana

Slika 10. Nivo 5. harmonika tokom tri uzastopna dana

Povećanjem (Zoom) dijagrama parametra THD jasno se vidi da toplotna pumpa proizvodi mnogo harmonika. Najveća vrednost parametra THD U doseže u pojedinim trenucima i vrednost od 20% Un (slika 11.).

Zoom vrednosti THD-a

Slika 11. Zoom vrednosti THD-a

Analizom dijagrama desetominutnih RMS vrednosti uočava se vreme aktivnosti toplotne pumpe (slika 12.).


Slika 12. Tokom rada toplotne pumpe gubitak napona u mreži kreće se u dopuštenom rasponu od 4 do 6%

Zaključak primera 2.

Potrebno je:

  • Smanjiti impedansu upotrebom kabla većeg poprečnog preseka (slika 13.)
  • Postaviti filter za posebno istaknute harmonike.

Potrebno je smanjiti impedansu upotrebom kabla veceg preseka vodica

Slika 13. Potrebno je smanjiti impedansu upotrebom kabla većeg preseka vodiča

Primer 3.

Vlasnik jedne porodične kuće koja se nalazi u blizini nove transformatorske stanice, žalio se na preveliku potrošnju i često pregorevanje sijalica. Da bi preduhitrio daljnja moguća oštećenja električnih uređaja u domaćinstvu, zatražio je snimanje kvaliteta električne energije, koja se dovodi do njegove kuće, te eventualni predlog potrebnih intervencija.

Primenom LEM (FLUKE) MEMOBOXa 800Q i programskog paketa CODAM 800 tokom jedne sedmice snimljena je situacija na jednoj fazi (NN, uzemljenje nulovanjem - TN sistemom - nekvalitetno, što je provereno mernim uređajem LEM (FLUKE) NORMA UNILAP 100XE).

Stanje osnovnih osam parametara napojnog napona moglo se pregledno videti iz tablice, usklađene sa normom EN 50160 (slika 14.). Zbog relativno male udaljenosti od transformatorske stanice, impedansa distributivne mreže bila je mala. To se moglo ozbiljno odraziti na kvalitet električne energije u posmatranom domaćinstvu, pa je dolazilo često do pojave previsokih napona.

Kolebanja napona, što je vidljivo iz priložene slike, bila su dopušteno velika, ali veoma česta, a treperenje je u određenim trenucima bilo izrazito.
Propadi napona i previsoki naponi (događaji, tj. udarna prelazna stanja) posebno su bili istaknuti. Slika harmonika i slika treperenja (flikera) takođe su upozoravale na niz nepravilnosti u napojnom naponu, tj. u mreži.

Slika stanja kvaliteta elektricne energije u jednom domacinstvu

Slika 14. Slika stanja kvaliteta električne energije u jednom domaćinstvu

Napon je relativno stabilne vrednosti

Slika 15. Napon je relativno stabilne vrednosti

Napon je relativno stabilne vrednosti (koja je previsoka - na trenutke i nedopuštenih 253,9 V, a prosečno 249,5 V), s tim da je početkom sedmice bilo nekoliko velikih propada napona (čak do vrednosti od samo 170 V), zbog uključenja nekog velikog obližnjeg potrošača.

Od harmonika jedino je 5. harmonik poprimao u pojedinim trenutcima dosta velike, ali dopuštene vrijednosti (slika 16.). Vrednosti su istaknute tokom noći, kad se uključuje puno potrošača (TV aparati i slično) sa ispravljačkim jedinicama (switching power supply), što se i moglo očekivati.

Prikaz 5.harmonika tokom jednog dana

Slika 16. Prikaz 5.harmonika tokom jednog dana

Slika 17. Treperenje je bilo izraženo baš u trenutku uključenja snažnog prijemnika u susedstvu

Zaključak primera 3.

Nivo napona je previsok i uzrokuje povećanu potrošnju i češće pregorevanje sijalica, pa i oštećenje uređaja u domaćinstvu. Trebalo bi ga početkom leta u transformatorskoj stanici spustiti za oko 3-5 %, tako da prosečna vrednost tokom leta bude oko 240 V. Što se izvora smetnji tiče, posumnjalo se na obližnju stolarsku radionicu.

Primer 4.

Vlasnik porodične kuće iz prethodnog primera zatražio je merenje kvaliteta električne energije i tokom zimskih meseci, kad je opterećenje električne mreže zbog grejanja i sl. veće. Ta merenja izvršena su primenom priručnog uređaja CIRCUTOR AR5, koji nije isključivo namenjen proveravanju parametara električne energije u distributivnoj mreži u skladu sa normom EN 50160, već je opšte namene.

Rezltati merenja bili su vrlo zanimljivi.Srednja efektivna vrednost mrežnog napona kretala se oko 230 V što je sasvim prihvatljivo, a kolebanja su bila u skladu sa normom EN 50160.

Merenje je izvođeno u jednofaznom Aronovom spoju, a prosečna jačina najveće struje bila je približno 5,3 A (slika 18.), dok je aktivna snaga bila približno 5,7 kW, a reaktivna približno 1,8 kVAr, uz faktor snage od 0,89. Zanimljivo je bilo razmotriti i stanje harmonika pri većem opterećenju električne mreže.

Analizirajući sliku 19., vidi se da su 5. i 7. harmonik izraženi, ali u dopuštenim granicama, kao što je to slučaj i s THD-om napona. I na kraju, posmatrajući talasne oblike napona i struje na L1, može se zaključiti da se mreža sasvim dobro ponaša slika 20., čak mnogo bolje nego što je to bilo tokom letnih meseci iste godine, kad su previsoki naponi bili izraženi, a samim time i harmonici i treperenje (fliker). To je dokaz malopre navedene tvrdnje da bi početkom leta napon u posmatranoj transformatorskoj stanici trebalo sniziti za oko 3 - 5%, čime bi se svi parametri električne energije tokom letnih meseci doveli u okvire koje propisuje norma EN 50160.

Slika 18. Prosečna jačina najveće struje tokom merenja u jednofaznom Aronovu spoju bila je približno 5 A

Slika 19. Harmonici 5. i 7. bili su nešto povišeni, kao i THD, ali u dopuštenim granicama

Slika 20. Posmatrajući talasne oblike napona i struje na L1, može se zaključiti da se mreža sasvim dobro ponaša

Zaključak

Otvaranjem tržišta, električna energija postaje roba kao i svaki drugi proizvod te mora zadovoljavati zadate kriterijume kvaliteta.
Pred proizvođače i distributere električne energije se postavlja ozbiljan zadatak kako tu električnu energiju,tj.,parametre koji je definišu dovesti na prihvatljive vrednosti određene standardima i preporukama.
Svrha merenja kvaliteta električne energije je u tome da se odredi koji od parametara premašuje dopuštene vrednosti.
Postupak merenja i praćenja kvaliteta električne energije je vremenski dug proces,od nekoliko dana (najčešće jedna sedmica) pa i do jednog meseca, iz razloga što trenutna merenja i trenutno očitane vrednosti nisu pouzdan pokazatelj koji je od parametara premašio dopuštene vrednosti.Razlog zašto su merenja vremenski duga treba tražiti u tome što poremećaji u mreži imaju osobinu ponavljanja.Ovo se najbolje objašnjava pomoću primera 1.Sa datih dijagrama se vidi da parametri kvaliteta električne energije ne premašuju dopuštene vrednosti,sve dok se u pogon ne pusti kran na obližnjem gradilištu,koji zbog svoje konstrukcije predstavlja veliki nelinearni potrošač,zbog koga u mreži dolazi do pojave flikera,koji stanovnici obližnjih domaćinstava vide u neprijatnom treperenju sijalica.
Pošto je za merenja i nadzor kvaliteta električne energije potrebno dosta vremena moramo imati instrument takvih karakteristika da može skladištiti veliki broj podataka tokom celog procesa merenja.
Na tržištu postoji veliki broj ovakvih instrumenata različitih cena i karakteristika koji se zajedničkim imenom zovu "mrežni analizatori".Osnovna podela ovih instrumenata je na ugradne (u industrijskim mernim ormanima) i na prenosive, kakav je gore opisani CIRCUTOR AR5.

Literatura

[1] Miomir B.Kostić,Teorija i praksa projektovanja električnih instalacija,drugo prošireno izdanje,Akademska misao,Beograd,2005.

[2] Željko Novinć,Kvalitet električne energije-priručnik,Elektrotehnički fakultet Osijek

[3] Janda Žarko,Pregled standarda i preporuka za kontrolu viših harmonika u električnim mrežama, Zbornik radova, Elektrotehnički institut "Nikola Tesla"2004.

[4] www.circutor.com

 

PROČITAJ / PREUZMI I DRUGE SEMINARSKE RADOVE IZ OBLASTI:
ASTRONOMIJA | BANKARSTVO I MONETARNA EKONOMIJA | BIOLOGIJA | EKONOMIJA | ELEKTRONIKA | ELEKTRONSKO POSLOVANJE | EKOLOGIJA - EKOLOŠKI MENADŽMENT | FILOZOFIJA | FINANSIJE |  FINANSIJSKA TRŽIŠTA I BERZANSKI    MENADŽMENT | FINANSIJSKI MENADŽMENT | FISKALNA EKONOMIJA | FIZIKA | GEOGRAFIJA | INFORMACIONI SISTEMI | INFORMATIKA | INTERNET - WEB | ISTORIJA | JAVNE FINANSIJE | KOMUNIKOLOGIJA - KOMUNIKACIJE | KRIMINOLOGIJA | KNJIŽEVNOST I JEZIK | LOGISTIKA | LOGOPEDIJA | LJUDSKI RESURSI | MAKROEKONOMIJA | MARKETING | MATEMATIKA | MEDICINA | MEDJUNARODNA EKONOMIJA | MENADŽMENT | MIKROEKONOMIJA | MULTIMEDIJA | ODNOSI SA JAVNOŠĆU |  OPERATIVNI I STRATEGIJSKI    MENADŽMENT | OSNOVI MENADŽMENTA | OSNOVI EKONOMIJE | OSIGURANJE | PARAPSIHOLOGIJA | PEDAGOGIJA | POLITIČKE NAUKE | POLJOPRIVREDA | POSLOVNA EKONOMIJA | POSLOVNA ETIKA | PRAVO | PRAVO EVROPSKE UNIJE | PREDUZETNIŠTVO | PRIVREDNI SISTEMI | PROIZVODNI I USLUŽNI MENADŽMENT | PROGRAMIRANJE | PSIHOLOGIJA | PSIHIJATRIJA / PSIHOPATOLOGIJA | RAČUNOVODSTVO | RELIGIJA | SOCIOLOGIJA |  SPOLJNOTRGOVINSKO I DEVIZNO POSLOVANJE | SPORT - MENADŽMENT U SPORTU | STATISTIKA | TEHNOLOŠKI SISTEMI | TURIZMOLOGIJA | UPRAVLJANJE KVALITETOM | UPRAVLJANJE PROMENAMA | VETERINA | ŽURNALISTIKA - NOVINARSTVO

Seminarski i Diplomski Rad

preuzmi seminarski rad u wordu » » »

Besplatni Seminarski Radovi